產品詳情
設計特點
1. 脫蠟精密鑄造閥體和閥蓋
2. 具有耐火結構設計和認證
3. 內置ISO 5211直接安裝墊,易於自動化
4. 防吹出閥杆
5. 球槽壓力平衡孔
6. 球桿體防靜電裝置
7. 選擇:(1).Actuator,(2).限位開關,(3).定位器
適用的標準
1. 設計標準:APl 608,ASME B 16.34, JIS b2001, EN 12516-1
2. 防火認證:APP607,ISO 10497
3. 結構長度:ASME B 16.10,JIS B2002, EN 558-27-1
4. 法蘭端:ASME B 16.5, JIS B2220, EN 1092-1
5. 壁厚:ASME B 16.34, EN 125 16-1
6.檢驗和試驗:APl 598,APl 6D, JIS B2003, DIN 3230/3, EN 12266- 1
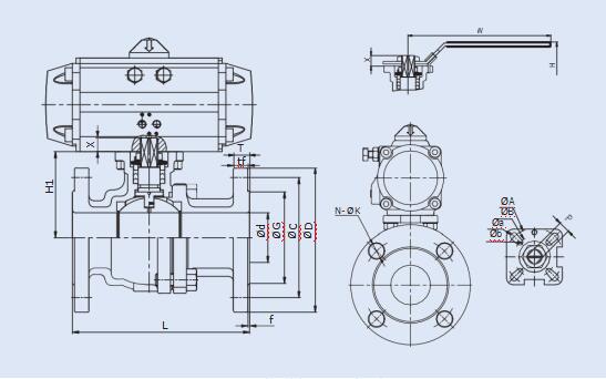
尺寸參數 (ASME CLASS 150)單位:毫米
|
NPS |
d |
L |
H |
H1 |
W |
G |
C |
D |
tf |
f |
N-ΦK |
P |
X |
A |
a |
B |
b |
ISO5211 |
|
|
|
|
|
|
|
|
|
|
|
Table 8 |
Table 9 |
|
|
|
|
|
|
|
|
|
|
1/2" |
15 |
108 |
89 |
49 |
113 |
35.1 |
60.5 |
89 |
9.7 |
7.9 |
1.5 |
4-Φ16.0 |
9 |
9 |
42 |
6 |
36 |
6 |
F03,F04 |
|
3/4" |
20 |
117 |
91 |
52 |
113 |
42.9 |
69.8 |
99 |
11.2 |
8.6 |
1.5 |
4-Φ16.0 |
9 |
9 |
42 |
6 |
36 |
6 |
F03,F04 |
|
1" |
25 |
127 |
105 |
64 |
188 |
50.8 |
79.2 |
108 |
12.7 |
9.7 |
1.5 |
4-Φ16.0 |
11 |
11 |
50 |
7 |
42 |
6 |
F04,F05 |
|
11/4" |
32 |
140 |
113 |
71.5 |
188 |
63.5 |
88.9 |
117 |
14.2 |
11.2 |
1.5 |
4-Φ16.0 |
11 |
11 |
50 |
7 |
42 |
6 |
F04,F05 |
|
11/2" |
40 |
165 |
120 |
79 |
200 |
73.0 |
98.6 |
127 |
15.9 |
12.7 |
1.5 |
4-Φ16.0 |
14 |
14 |
70 |
9 |
50 |
7 |
F05,F07 |
|
2" |
50 |
178 |
128 |
87 |
200 |
91.9 |
120.6 |
152 |
17.5 |
14.2 |
1.5 |
4-Φ19.1 |
14 |
14 |
70 |
9 |
50 |
7 |
F05,F07 |
|
21/2" |
65 |
190 |
155 |
110 |
273 |
104.6 |
139.7 |
178 |
20.6 |
15.7 |
1.5 |
4-Φ19.1 |
17 |
17 |
102 |
11 |
70 |
9 |
F07,F10 |
|
3" |
80 |
203 |
165 |
121 |
273 |
127.0 |
152.4 |
190 |
22.4 |
17.5 |
1.5 |
4-Φ19.1 |
17 |
17 |
102 |
11 |
70 |
9 |
F07,F10 |
|
4" |
100 |
229 |
187 |
140 |
292 |
157.2 |
190.5 |
229 |
22.4 |
22.4 |
1.5 |
8-Φ19.1 |
22 |
22 |
102 |
11 |
70 |
9 |
F07,F10 |
尺寸參數 (ASME CLASS 300)單位:毫米
|
NPS |
d |
L |
H |
H1 |
W |
G |
C |
D |
tf |
f |
N-ΦK |
P |
X |
A |
a |
B |
b |
ISO5211 |
|
1/2" |
15 |
140 |
89 |
49 |
113 |
35.1 |
66.5 |
95 |
12.7 |
1.5 |
4-Φ16.0 |
9 |
9 |
42 |
6 |
36 |
6 |
F03,F04 |
|
3/4" |
20 |
152 |
99 |
59.5 |
113 |
42.9 |
82.6 |
117 |
14.2 |
1.5 |
4-Φ19.1 |
9 |
9 |
42 |
6 |
36 |
6 |
F03,F04 |
|
1" |
25 |
165 |
105 |
64 |
188 |
50.8 |
88.9 |
124 |
15.7 |
1.5 |
4-Φ19.1 |
11 |
11 |
50 |
7 |
42 |
6 |
F04,F05 |
|
11/4" |
32 |
178 |
113 |
71.5 |
188 |
63.5 |
98.6 |
133 |
17.5 |
1.5 |
4-Φ19.1 |
11 |
11 |
50 |
7 |
42 |
6 |
F04,F05 |
|
11/2" |
40 |
190 |
120 |
79 |
200 |
73.0 |
114.3 |
155 |
19.0 |
1.5 |
4-Φ22.2 |
14 |
14 |
70 |
9 |
50 |
7 |
F05,F07 |
|
2" |
50 |
216 |
128 |
87 |
200 |
91.9 |
127.0 |
165 |
20.6 |
1.5 |
8-Φ19.1 |
14 |
14 |
70 |
9 |
50 |
7 |
F05,F07 |
|
21/2" |
65 |
241 |
155 |
110 |
273 |
104.6 |
149.4 |
190 |
23.9 |
1.5 |
8-Φ22.2 |
17 |
17 |
102 |
11 |
70 |
9 |
F07,F10 |
|
3" |
80 |
282 |
165 |
121 |
273 |
127.0 |
168.1 |
210 |
26.9 |
1.5 |
8-Φ22.2 |
17 |
17 |
102 |
11 |
70 |
9 |
F07,F10 |
|
4" |
100 |
305 |
187 |
140 |
292 |
157.2 |
200.2 |
254 |
30.2 |
1.5 |
8-Φ22.2 |
22 |
22 |
102 |
11 |
70 |
9 |
F07,F10 |

查看手機網站