產品詳情
適用的標準
1.設計標準:APl 608,ASME B16.34,JIS B2001, EN 12516-1
2.防火認證:APP607,ISO 10497
3.結構長度:ASME B16.10,JIS B2002,EN558-27-1
4.法蘭端:ASME B16.5,JIS B2220
5.壁厚:ASME B16.34,EN 12516-1
6.檢驗和試驗:APl 598,APl 6D,JIS B2003, DIN 3230/3, EN 12266-1
零部件及材料單位:毫米
|
PART NAME |
MATERIAL |
||
|
BODY |
WCB |
CF8M |
CF8 |
|
BONNET |
WCB |
CF8M |
CF8 |
|
BALL |
SS304 |
SS316 |
SS304 |
|
STEM |
SS304 |
SS316 |
SS304 |
|
SEAT |
RTFE |
||
|
STEM SEAL |
PTFE |
||
|
MIDDLE HEAD PAD |
PTFE |
||
|
PACKING SLEEVE |
SS202 |
||
|
HANDLE |
SS202 |
||
|
RUBBER SLEEVE |
PLASTIC |
||
|
ELASTIC WASHER |
SS202 |
||
|
NUT |
SS202 |
||
|
BOLT |
SS202 |
||
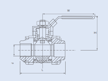
尺寸參數(EN PN40)單位:毫米
|
NPS |
DN |
d |
L |
H |
W |
|
1/4" |
6 |
11.6 |
65 |
48 |
120 |
|
3/8" |
10 |
12.7 |
65 |
48 |
120 |
|
1/2" |
15 |
15 |
72 |
54 |
120 |
|
3/4" |
20 |
20 |
83 |
57 |
130 |
|
1" |
25 |
25 |
91 |
72 |
154 |
|
11/4" |
32 |
32 |
103 |
79 |
154 |
|
11/2" |
40 |
38 |
110 |
81 |
185 |
|
2" |
50 |
50 |
131 |
97 |
185 |
|
21/2" |
65 |
65 |
164.5 |
130 |
250 |

查看手機網站